产品展示

Products

产品展示

首页 - 产品展示

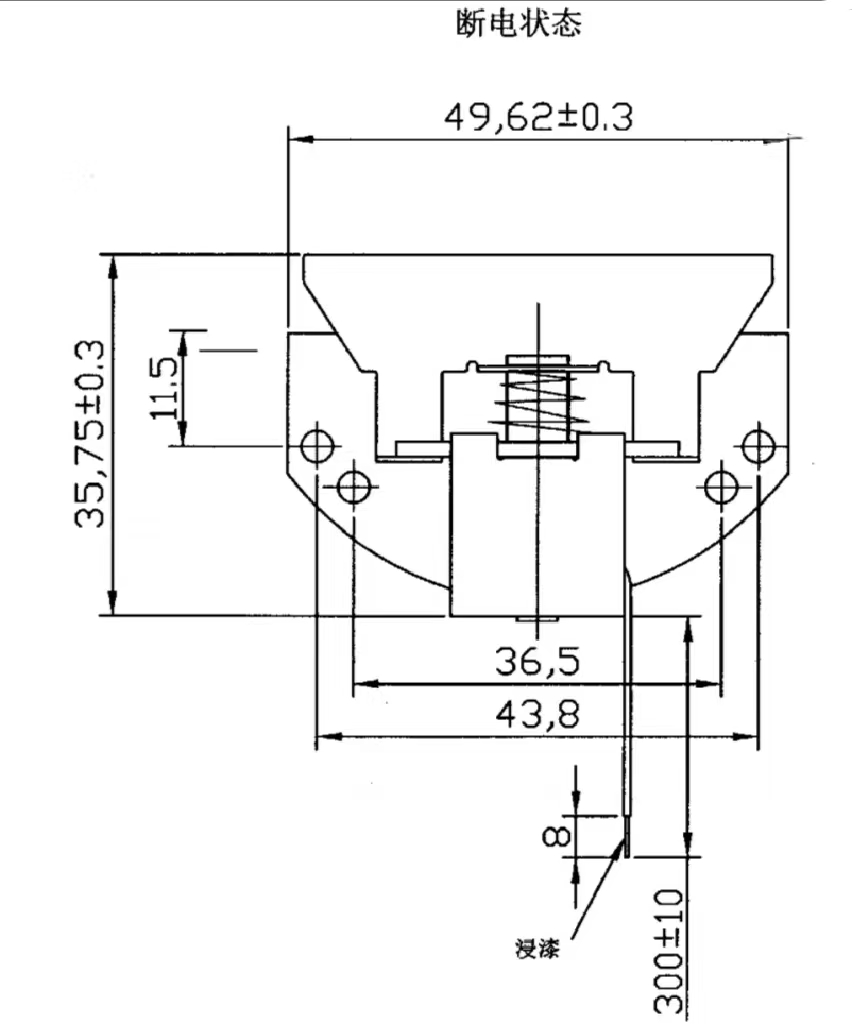
AJ-AU0616L-12A17.5-C-A车灯电磁铁

Time:2023-03-31  浏览次数:810次

产品规格


基本参数

电压:12DCV

电流:0.69A

功率:8.2W

直流电阻:17.5Ω±10%(20℃)

工作循环:OFF 3 SEC , MAX  ON 1 Min.

绝缘等级:C  (210℃)

力量要求

残留吸引力:断电弹簧复位

吸引力:DC8V带动支架运动

ADDRESS 工厂地址:广东省惠州市博罗县园洲镇高头村高东区三路27号
EMAIL yaxinkf@kaswing.com
PHONE 13528762983
QQ
版权所有 © 深圳市亚欣电器制造有限公司 手机版

电磁铁|电磁铁设计|电磁铁制造|电磁铁销售|电磁铁服务|4.0工业电磁铁|亚欣电磁铁